


Цену уточняйте
Применяемость: для всех областей применения в области машиностроения и гидравлики
Комбинация материалов стальных ступиц и полиамидных втулок обеспечивает непрерывную работу без обслуживания с очень низким трением на зубьях. Муфты Bowex можно собирать как вертикально, так и горизонтально без использования каких-либо специальных монтажных инструментов.
Технические характеристики:
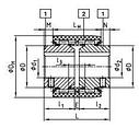
Внешний диаметр D: 47 мм
Чист. отверстие d1,d2(max): 20
L: 54 мм
E: 4 мм
D: 32 мм
DH: 47 мм
LH: 37 мм
MН: 8,5 мм
D1: 38 мм
Материал: полиамид